Ref No
Part Number
Description
Serial Range
Qty
Price
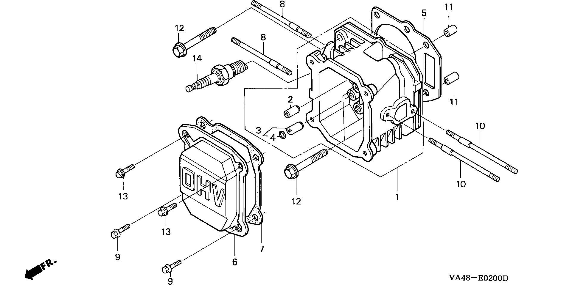
Ref No 1
Part Number 12200-ZE7-405
Description CYLINDER HEAD
Serial Range 6324986 - 9999999
Qty
Price $178.27
Add To Cart
Ref No 2
Part Number 12204-ZE1-306
Description GUIDE, VALVE (OVER SIZE) (NOT AVAILABLE)
Serial Range 1000001 - 9999999
Ref No 4
Part Number 12216-ZE5-300
Description CLIP, VALVE GUIDE
Serial Range 1000001 - 9999999
Qty
Price $1.85
Add To Cart
Ref No 5
Part Number 12251-ZE7-000
Description GASKET, CYLINDER HEAD
Serial Range 1000001 - 9999999
Qty
Price $11.84
Add To Cart
Ref No 6
Part Number 12311-ZG9-800
Description COVER, HEAD
Serial Range 1330458 - 9999999
Qty
Price $10.80
Add To Cart
Ref No 7
Part Number 12391-ZE7-T00
Description GASKET, HEAD COVER
Serial Range 1000001 - 9999999
Qty
Price $6.91
Add To Cart
Ref No 8
Part Number 90048-ZC3-000
Description BOLT, STUD (6X85)
Serial Range 1000001 - 9999999
Qty
Price $4.55
Add To Cart
Ref No 9
Part Number 90013-883-000
Description BOLT, FLANGE (6X12) (CT200)
Serial Range 1330279 - 9999999
Ref No 9
Part Number 90013-883-000
Description BOLT, FLANGE (6X12) (CT200)
Serial Range 1000001 - 9999999
Ref No 10
Part Number 90043-ZE6-000
Description BOLT, STUD (6X109)
Serial Range 1350097 - 9999999
Qty
Price $8.27
Add To Cart
Ref No 11
Part Number 94301-10160
Description PIN, DOWEL (10X16)
Serial Range 1000001 - 9999999
Qty
Price $3.30
Add To Cart
Ref No 12
Part Number 95701-08050-00
Description BOLT, FLANGE (8X50)
Serial Range 1000001 - 9999999
Qty
Price $3.30
Add To Cart
Ref No 13
Part Number 90013-883-000
Description BOLT, FLANGE (6X12) (CT200)
Serial Range 1330279 - 9999999
Ref No 13
Part Number 90013-883-000
Description BOLT, FLANGE (6X12) (CT200)
Serial Range 1000001 - 9999999
Ref No 14
Part Number 98079-54846
Description SPARK PLUG (BPR4ES) (NGK)
Serial Range 1000001 - 9999999
Qty
Price $3.28
Add To Cart
Ref No 14
Part Number 98079-54855
Description SPARK PLUG (W14EPR-U) (DENSO)
Serial Range 1000001 - 9999999
Qty
Price $3.52
Add To Cart
Ref No 14
Part Number 98079-55846
Description SPARK PLUG (BPR5ES) (NGK)
Serial Range 1000001 - 9999999
Qty
Price $3.28
Add To Cart
Ref No 14
Part Number 98079-55855
Description SPARK PLUG (W16EPR-U) (DENSO)
Serial Range 1000001 - 9999999
Qty
Price $3.28
Add To Cart
Ref No 14
Part Number 98079-56846
Description SPARK PLUG (BPR6ES) (NGK)
Serial Range 1000001 - 9999999
Qty
Price $3.28
Add To Cart
Ref No 14
Part Number 98079-56855
Description SPARK PLUG (W20EPR-U) (DENSO)
Serial Range 1000001 - 9999999
Qty
Price $3.52
Add To Cart