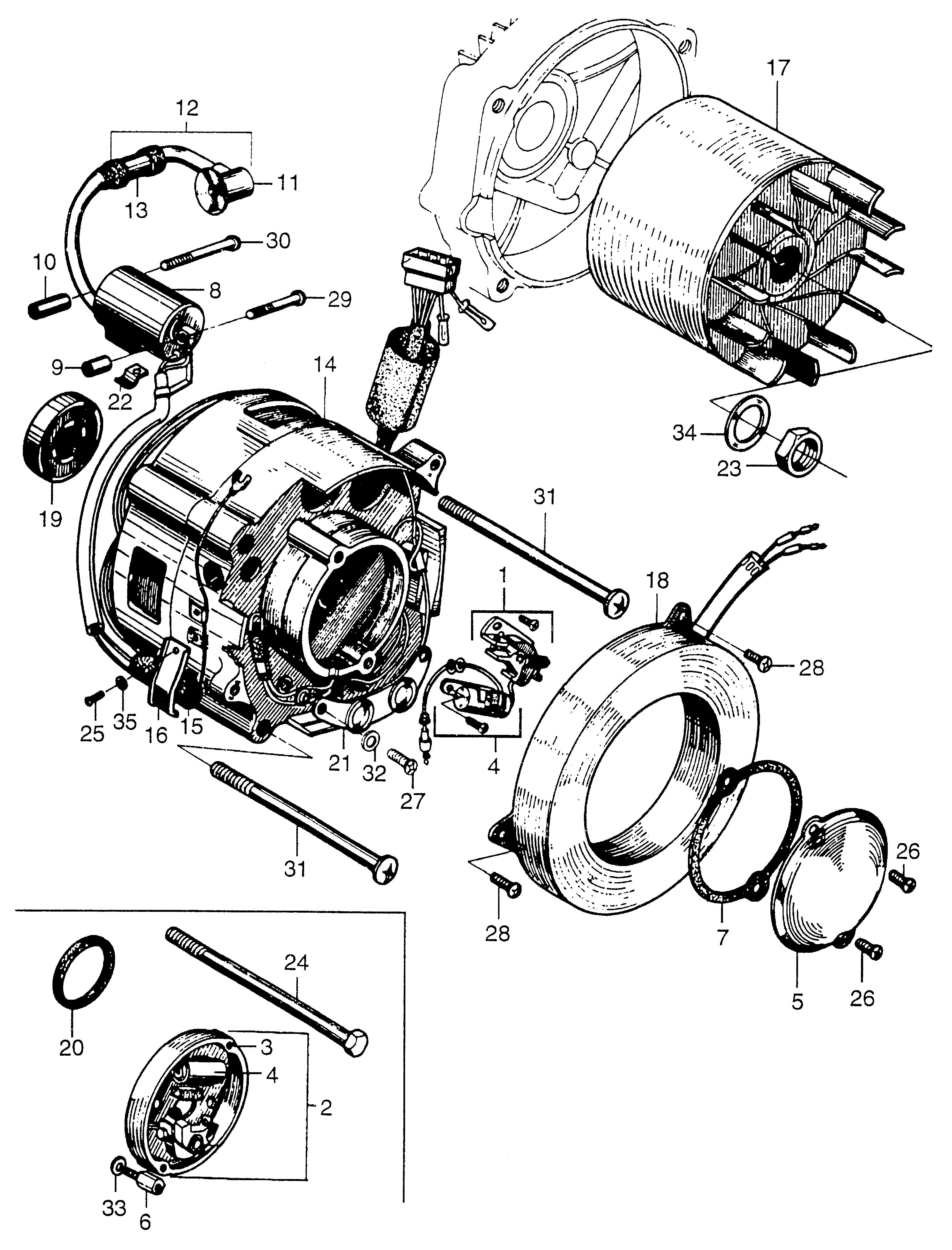
Generators E E300 E300K1 A GE300-1106001-1281362 EK1 K2 ALTERNATOR@POINTS - Kitz & Pfeil, Inc.

Ref No
Part Number
Description
Serial Range
Qty
Price

Ref No
1
Part Number
30202-836-003
Description
POINTS ASSY.
Serial Range
1007411 - 9999999
Qty
Price
$41.25

Ref No
1
Part Number
30202-836-003
Description
POINTS ASSY.
Serial Range
1106001 - 9999999
Qty
Price
$41.25

Ref No
2
Part Number
30202-836-003
Description
POINTS ASSY.
Serial Range
1007411 - 9999999
Qty
Price
$41.25

Ref No
2
Part Number
30202-836-003
Description
POINTS ASSY.
Serial Range
1106001 - 9999999
Qty
Price
$41.25

Ref No
4
Part Number
30203-836-013
Description
CONDENSER ASSY.
Serial Range
1000001 - 9999999

Ref No
5
Part Number
30211-812-010
Description
COVER, POINTS (NOT AVAILABLE)
Serial Range
106771 - 9999999

Ref No
7
Part Number
30214-812-000
Description
GASKET, POINTS COVER (NOT AVAILABLE)
Serial Range
1106001 - 9999999

Ref No
8
Part Number
30500-812-013
Description
COIL ASSY., A.C. IGNITION (NOT AVAILABLE)
Serial Range
1000001 - 9999999

Ref No
9
Part Number
30531-812-000
Description
COLLAR A, IGNITION DISTANCE (NOT AVAILABLE)
Serial Range
1000001 - 9999999

Ref No
10
Part Number
30532-812-000
Description
COLLAR B, IGNITION DISTANCE
Serial Range
1000001 - 9999999

Ref No
14
Part Number
31151-836-672
Description
STATOR, ALTERNATOR
Serial Range
1106001 - 9999999

Ref No
15
Part Number
31156-836-000
Description
TUBE A, RUBBER
Serial Range
1022235 - 2000000

Ref No
16
Part Number
31157-812-000
Description
CLAMP, JOINT
Serial Range
1022235 - 2000000

Ref No
17
Part Number
31160-836-003
Description
ROTOR, ALTERNATOR
Serial Range
1007892 - 9999999

Ref No
18
Part Number
31170-836-670
Description
REACTOR
Serial Range
1099384 - 9999999

Ref No
19
Part Number
96150-60010-10
Description
BEARING, RADIAL BALL (6001UU)
Serial Range
1007892 - 9999999
Qty
Price
$32.25

Ref No
21
Part Number
31700-836-003
Description
RECTIFIER, SILICON
Serial Range
1106001 - 2000000

Ref No
23
Part Number
90201-836-000
Description
NUT, SPECIAL (14MM)
Serial Range
2000001 - 9999999

Ref No
25
Part Number
93500-04006-0A
Description
SCREW, PAN (4X6)
Serial Range
1000001 - 9999999
Qty
Price
$1.10

Ref No
25
Part Number
93500-04006-0A
Description
SCREW, PAN (4X6)
Serial Range
1000001 - 1106000
Qty
Price
$1.10

Ref No
26
Part Number
93500-04008-0B
Description
SCREW, PAN (4X8) (NOT AVAILABLE)
Serial Range
1106001 - 2035556

Ref No
27
Part Number
93500-04020-0A
Description
SCREW, PAN (4X20)
Serial Range
1028067 - 9999999
Qty
Price
$1.10

Ref No
28
Part Number
93500-05012-0A
Description
SCREW, PAN (5X12)
Serial Range
1067701 - 1106000
Qty
Price
$1.21

Ref No
28
Part Number
93500-05012-0A
Description
SCREW, PAN (5X12)
Serial Range
1000001 - 9999999
Qty
Price
$1.21

Ref No
29
Part Number
93500-05028-0A
Description
SCREW, PAN (5X28)
Serial Range
1000001 - 9999999
Qty
Price
$1.21

Ref No
30
Part Number
93500-05040-0A
Description
SCREW, PAN (5X40)
Serial Range
1000001 - 9999999
Qty
Price
$0.95

Ref No
31
Part Number
93500-06100
Description
SCREW, PAN (6X100) (NOT AVAILABLE)
Serial Range
1000001 - 9999999

Ref No
32
Part Number
94101-04000
Description
WASHER, PLAIN (4MM)
Serial Range
1028067 - 9999999
Qty
Price
$1.32

Ref No
34
Part Number
94102-14000
Description
WASHER, PLAIN (14MM)
Serial Range
1000001 - 9999999
Qty
Price
$0.95

Ref No
35
Part Number
94111-04000
Description
WASHER, SPRING (4MM)
Serial Range
1022235 - 9999999
Qty
Price
$1.43